- LSTB ultra clear series tube lenses-1
- LSTB ultra clear series tube lenses-2
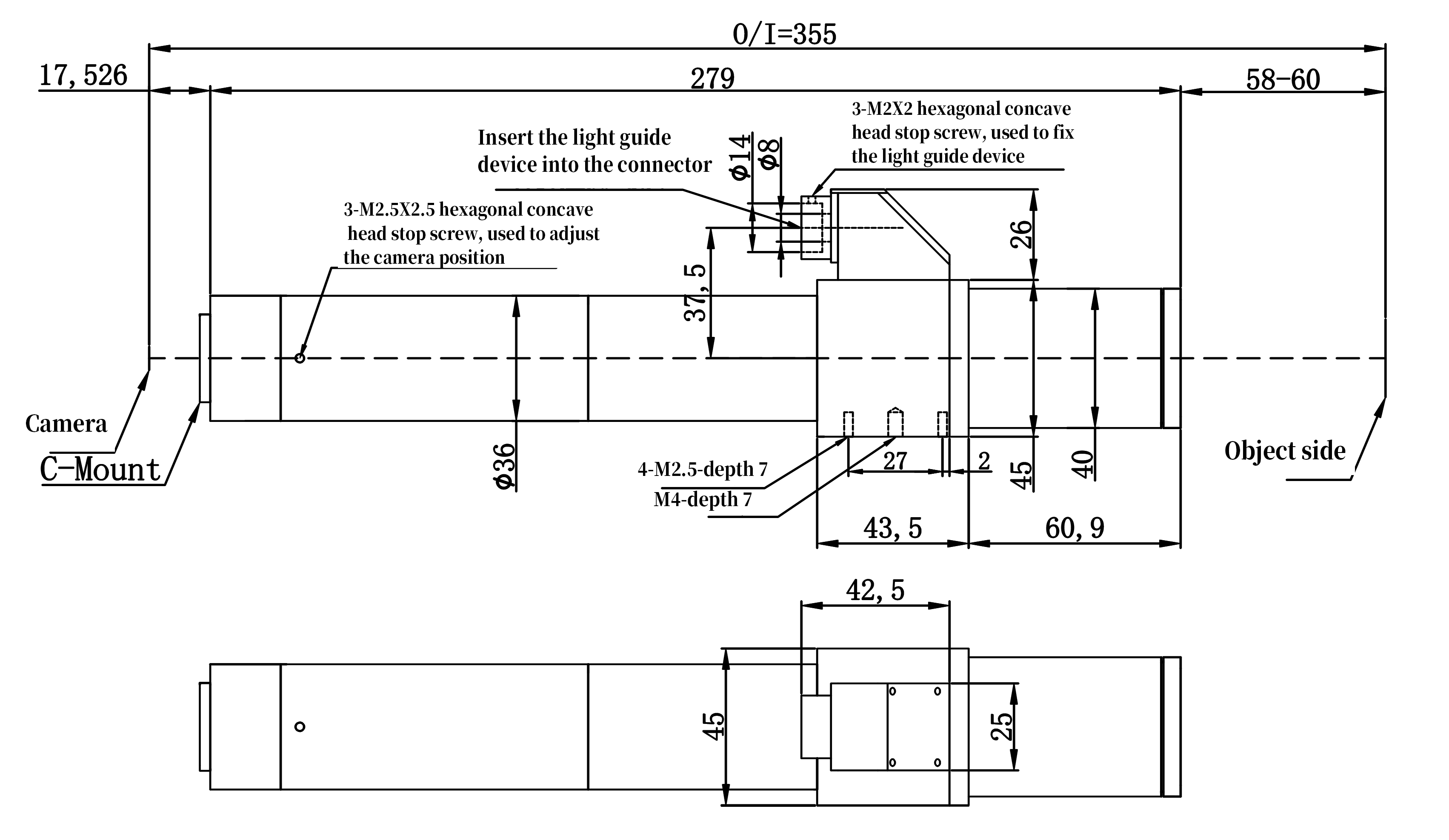
LSTB ultra clear series tube lenses
LSM230-W60X15
LSM230-W60X15
特征 Features:
·15X optics magnification
·Large NA, ultra-high resolution, precision 1um
·Extra-long working distances
Applications :
·Mini LED AOI Multi sided inspection
·Wafer AOI Multi sided inspection
·Wafer high-precision positioning
·Biomedical testing
·15X optics magnification
·Large NA, ultra-high resolution, precision 1um
·Extra-long working distances
Applications :
·Mini LED AOI Multi sided inspection
·Wafer AOI Multi sided inspection
·Wafer high-precision positioning
·Biomedical testing
在线咨询